鼎陽SIGLENT SSA5085A 頻譜分析儀
名稱:頻譜分析儀
品牌:鼎陽SIGLENT
型號:SSA5085A
簡介:01藍牙調制分析 SSA5000-BT藍牙技術作為一種無線通信技術,廣泛應用于各種設備和應用場景。該測量應用遵循Bluetooth SIG發布的Bluetooth? RF測試規范計算測量結果,自動檢測信號的協議版本進行Bluetooth B...
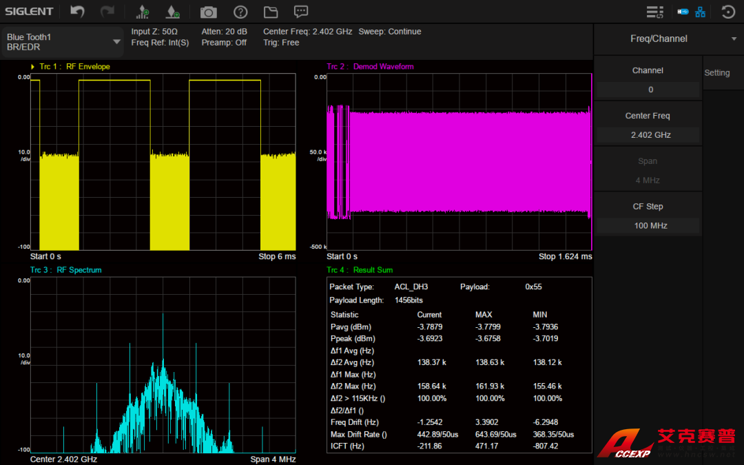
01藍牙調制分析 SSA5000-BT
藍牙技術作為一種無線通信技術,廣泛應用于各種設備和應用場景。該測量應用遵循Bluetooth SIG發布的Bluetooth? RF測試規范計算測量結果,自動檢測信號的協議版本進行Bluetooth BR/EDR/LE一鍵測量助您放心地設計、評估和制造藍牙設備。與SigIQPro信號生成軟件組成鼎陽科技經濟高效的Bluetooth信號生成與信號分析解決方案,加速從生成信號到數據信息再到評估結論的進程。SSA5085A有助于用戶在實驗室靈活地開展故障排查,輕松快速地優化RF設計。

02噪聲系數測量SSA5000-NF
噪聲系數的精確測量對于產品的研發和制造都非常關鍵。在研發領域,高測試精度可以保證設計仿真和真實測量之間的可復驗性高,并有助于發現在仿真過程中未予以考慮的噪聲來源;在生產和制造領域,更高的測試精度意味著在設定和驗證器件的技術指標時可把指標的余量設定得更小,最終產品的技術指標越高,就越有市場競爭力。鼎陽科技SSA5085A噪聲系數測量功能為工程師提供了一個簡單的工具,可以快速有效地進行高質量的噪聲系數測量,用折線圖、計量表和表格視圖描述DUT和系統模塊的噪聲系數和增益,除此之外還支持測量噪聲因子、Y因子、等效噪聲溫度、熱噪底、冷噪底等參數。

03相位噪聲測量SSA5000-PN
穩定的頻率源是許多電子設備和大多數射頻設備的共同需要。相位噪聲可以用來描述和測量這些頻率源的短期頻率穩定性。
鼎陽科技SSA5085A頻譜儀提供一鍵式相位噪聲測量功能。SSA5085A具有更低的顯示平均噪聲電平(DANL)和相位噪聲,為您的測試的精確度保駕護航。更小的分辨率帶寬,可以避免同時測量到載波功率和噪聲功率,測量結果更精細化。橫坐標使用對數刻度,既可以獲得較寬的頻率范圍,又可以在接近載波時獲得更精細的分辨率——較小的偏移往往比較大頻率偏移時的相位噪聲更能反應信號的質量。

04脈沖測量SSA5000-PU
射頻脈沖信號廣泛應用于脈沖調制中,對于從事相關領域的工程師而言,總是繞不開脈沖信號的測試。在一些蜂窩通信、無線傳感器網絡等應用中,信號設計和驗證需要脈沖信號分析和時域/頻域/調制的綜合測試工具。
鼎陽科技的SSA5085A脈沖測量功能,可以幫助工程師更好的分析當今的動態信號環境,可以自動進行功率測量、脈沖特性、轉換特性測量。最高分辨率帶寬可達10MHz,上升時間測量結果最低可達66ns,配合多種的觸發方式,穩定捕獲捷變信號。

艾克賽普公司是鼎陽湖南代理商,如果您有鼎陽SSA5085A頻譜分析儀需求或任何疑問歡迎聯系,我們將提供免費樣機上門試用和更合適的測試解決方案。
最新產品
相關產品